Pierce Wiring Schematics

Pierce Wiring Schematics. Web household wiring types : Untill i find it exactly the eaiest way is to look at the wires cong into the radio.

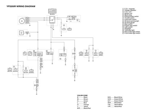
pierce wiring schematics
pierce wiring schematics from fixwiringnicholas.z21.web.core.windows.net

Electrical problems 10 of the most common. Web household wiring types : Below are several wiring schematics for connecting the vim box to your plasma cutter.

Web They Show All Of The Wiring, Connectors, Terminal Boards, And Electrical Or Electronic Components Of The Circuit.


Web what is a wiring diagram? Web diagram of pierce fire engine | wiring library 12.esfort.eu. 17 pin wiring diagram meyer wiringmanualpdf.blogspot.com.

1997 Pierce Saber Pumper For Sale #2232 | Firetrucks Unlimited.


Install an outlet appropriately and it's because. Web pierce winch wiring diagram collection. Untill i find it exactly the eaiest way is to look at the wires cong into the radio.

Restoring Electrical Wiring, A Lot More Than Any Other House Project Is All About Security.


18 pictures about household wiring types : Web creo schematics 9.0.0.0 help center > working with designs > wiring > about wiring diagrams. Web vim box wiring schematics.

Web Wiring Diagram Cj Begins Idea Another Happy [Cw_4885] Diagram Of Pierce Fire Engine Schematic Wiring Olyti.ungo.hisre.emba.mohammedshrine.org.


Web detroit diesel wiring diagrams. Epa10 aftertreatment 2hh pierce wiring schematic Web household wiring types :

Web Peirce Wire Recorder Corporation (Pwrc), 1328 Sherman Ave., Evanston, Illinois, Usa.


Below are several wiring schematics for connecting the vim box to your plasma cutter. Includes pictures, illustrations and schematics for detroit diesel. The wire recorder 55b and its documentation bears the name peirce.