Peavey Wiring Schematics

Peavey Wiring Schematics. User manual peavey raptor stage pack electric guitar practice 03585380 pdf manuals com. There is some discussion about where the earth is.

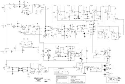
Peavey Xr 600c Wiring Diagram
Peavey Xr 600c Wiring Diagram from schematron.org

This is the 3 pages manual for peavey envoy 110 1 92 schematic. By cacofonix » thu jun 07, 2012 10:26 pm. The correct schematic is here.

Read Or Download The Pdf For Free.


There is some discussion about where the earth is. Schematics, product picture / illustration, specifications, controls, functions & theory. From the pvi8b schematic diagrams to the amp.

In Addition To The Above.


Web with the extensive inventory we have, if you are looking for a mixer or preamp service manual, you are likely to find it here. Web this is the 1 pages manual for peavey t 40 t 60 wiring diagrams. Read or download the pdf for free.

If You Want To Contribute, Please Mail.


Read or download the pdf for free. If you want to contribute, please mail your. Web the guitar and its wiring are so unique that i wanted to show you the circuit and how you can adopt it for your own guitar.

Web This Is The 2 Pages Manual For Peavey Heritage Vtx Series Schematic.


The correct schematic is here. Id™ 1g instrument direct interface. Peavey amp schematics www the com.

Web Transtube Series Amplifiers (17 Pages) Amplifier Peavey Bandit 112 Operating Manual.


By 7sunset7 » fri feb 17, 2012 10:14 pm. Web ia 400 power amplifier specifications. If you want to contribute, please mail your pdfs to.