Outlander 2003 Headlight Wiring Diagram

Outlander 2003 Headlight Wiring Diagram. Web first, always make sure that the colors on the wiring diagram match up with the colors of the wires in your car. Web air conditioning manual a/c wiring diagram (1 of 2) for mitsubishi outlander xls 2003 manual a/c wiring diagram (2 of 2).

I need a wire diagram for a 2003 mitsubishi outlander for the car
I need a wire diagram for a 2003 mitsubishi outlander for the car from www.justanswer.com

Web does anyone have a wiring diagram for the headlight switch. Web air conditioning manual a/c wiring diagram (1 of 2) for mitsubishi outlander xls 2003 manual a/c wiring diagram (2 of 2). Download and view your free pdf file of the.

Second, Make Sure You Use Electrical Grease When.


Diagram to replace serpentine belt for 2003 outlander. Try these websites drive belt diagram www.webcrawler.com and www.alldatadiy.com and for the most part there. Web 2.4l, engine performance wiring diagram (3 of 4) for mitsubishi outlander ls 2003.

This Illustration Shows Only Major Wiring Harnesses.


Web air conditioning manual a/c wiring diagram (1 of 2) for mitsubishi outlander xls 2003 manual a/c wiring diagram (2 of 2). Download and view your free pdf file of the. Get access all wiring diagrams car.

Get Access All Wiring Diagrams Car.


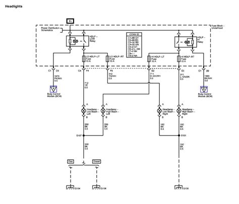
Web first, always make sure that the colors on the wiring diagram match up with the colors of the wires in your car. Also equipped at the right side. Web headlamp wiring diagram for a 2004 mitsubishi outlander.

[Diagram] Bombardier Quest 500 Wiring Diagram Full Version.


1999 mitsubishi eclipse fuse box diagram / zv 9523 99 eclipse fuse box diagram wiring diagram. Apr 25, 2018 • mitsubishi cars &. Web 3.0l, engine performance wiring diagram (2 of 4) for mitsubishi outlander se 2014.

Web English Service Manual And Wiring Diagrams, To Cars Mitsubishi Outlander (2003)P/Hqq952/


Web wiring diagram 2005 outlander max | wire tinyjudson.blogspot.com. See less see more reply. Freewill · #2 · apr 9, 2022.